产品介绍
为便于工程组网及工业应用,本模块采用工业广泛使用的MODBUS-RTU通讯协议,支持二次开发。用户只需根据我们的通讯协议即可使用任何串口通讯软件实现模块数据的查询和设置。
技术参数
| 测量范围 | 湿度:0%-100% |
| 测量精度 | 湿度:±4.5%RH(可选配±3%RH、±2%RH传感器) |
| 继电器容量 | 10A 250V(阻性负载) |
| 波特率 | 2400、4800、9600、19200、38400默认9600 |
| 通讯端口 | RS485 |
| 机械寿命 | 最少3000,000次 |
| 工作电压 | AC 150-265V |
| 耗电 | 2W |
| 重量 | 210克 |
| 存储温度 | -20 ~80℃ |
| 运行环境: | -40℃~+85℃ |
| 支持测量电缆长度 | >10m |
| 外形尺寸 | 72×72×111mm3 |
| 安装方式 | 嵌入式 面板尺寸72mm×72mm 开孔尺寸67.5×67.5 |
特点
采用进口高性能,高精度,抗腐蚀,长寿命,高可靠性的全数字湿度传感器,范围宽,线性度好,能长期在各种环境下稳定可靠的工作. 实时数显湿度,集多种功能于一体,方便用户不同场合使用。
传感器用4根导线进行温湿信号传输,传感器和仪表间长度默认为2米,最长支持50米。
用途
适用于室外端子箱,配电箱的自动加热除湿,防止端子之间爬电引起的各种误动作事故,如:继电保护端子箱等。
适用于室内高压配电装置及高压开关操作机构箱内的自动加热除湿,低温环境下的自动加热,以防止绝缘爬电而引起的开关误动及低温环境下引起的机构失灵。
适用于开关机构箱内,手车式开关柜,中置柜,箱变等设备的箱内对多个部位进行防潮,低温的在线检测。也可用于烤房粮库,仓库,养殖,纺织业和其他需要自动除湿及自动加湿的场合。
模式
控制器自带2种模式,用于不同的应用场合。模式1为正常控制模式,模式2为反向控制模式。
模式1时,除湿设备应该接入继电器1常开点,加湿设备按入到继电器2常开点。
模式2时,除湿设备应该接入继电器1常闭点,加湿设备按入到继电器2常闭点。
即两种模式下,继电器的动作方式正好相反。
1.除湿设备启动与关闭过程
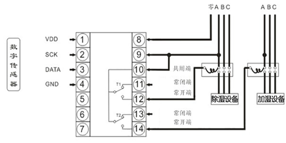
比如接入AC220V供电的除湿器。将除湿设备电源的火线接入控制器的10脚、12脚(即继电器1常开触点)后再接入到插座的火线。除湿器的零线直接与电源插座的零线相连。

除湿设备启动的条件:当前测量值>(湿度上限+回差值)。
除湿设备启动后再关闭的条件: 当前测量值<(湿度上限-回差值)

控制举例:继电器1接除湿设备。除湿控制过程。
除湿过程:湿度高于62%RH(湿度上限值60%RH +回差2%RH)时继电器1吸合,除湿设备开始工作。湿度下降到58%RH(湿度上限值60%RH -回差2%RH)时继电器1断开,除湿设停止工作。
2.加湿设备启动与关闭过程
比如接入AC220V供电的加湿器。将加湿设备电源的火线接入控制器的10脚、14脚(即继电器2常开触点)后再接入到插座的火线。加湿器的零线直接与电源插座的零线相连。

加湿设备启动的条件:当前测量值<(湿度下限-回差值)。
加湿设备启动后再关闭加湿的条件: 当前测量值>(湿度下限+回差值)

如上图所示,为测量的湿度值低于用户设置的【湿度下限值-回差值】时,控制器内部继电器2吸合,启动加湿设备;加湿后,湿度升高到用户设置的【湿度下限值+回差值】时,则继电器2断开,停止加湿。
安装方法
仪表为嵌入式方形安装,安装时将仪表从正面推入开好孔的柜体面板上,开孔尺寸应为(67x67mm),然后把支架从仪表的后面把仪表用螺丝旋紧,顶至不活动。按接线图将传感器对颜色接至仪表(仪表后面接线端必须与传感器路数输入相对应,与传感器接线端子1-4脚的“VCC,SCK,DATA,GND”按相应的次序连接)确认接线无误后,即可通电,通电后即刻显示测得的湿度值,此时相应指示灯亮。
操作说明
K1:“>>”设定时用选位键
K2:“∧”上调键
K3:“∨”下调键
K4:“SET”正常状态下长按2秒进入设置状态,设置状态下短按为切换设置选项
无按键及任何操作15秒后自动退出且保存设定数据。
继电器工作方式功能:1-加热加湿控制模式;2-降温除湿控制模式
参数设置
正常状态下按“SET”1秒后进入设置状态,第一位数码管显示配置参数名,再按“SET”选择不同的配置参数。在需要调整的参数界面下短按“>>”选位数码管,然后按“∧”“∨”键调整数据。在设置状态下无操作15秒后自动保存退出。以下是具体操作流程:

接线图
直接控制单相接线

扩容控制接线

指示灯功能
ALM1为除湿设备工作状态,ALM1亮时表示继电器1闭合;ALM2为加湿设备工作状态,ALM2亮时表示继电器2闭合。
通讯协议
本协议兼容工业MODBUS协议,可接工业组态软件。用组态软件时选择莫迪康PLC-modbusRTU协议即可联机。设备所有操作或回复命令都为16进制数据。默认通讯波特率:
9波特率——9600bps 数据位——8位 校验位——无校验 停止位——1位。

基本命令格式:
2、CRC校验:CRC16校验,低位在前,高位在后。
(1)读取数据
| 寄存器 | 值范围 | 真实值范围 | |
| 湿度值 | 4x0001 | 0-10000 | 0到100%RH |
| 湿度上限 | 4x0004 | 100-10000 | 0.1到100度 |
| 湿度下限 | 4x0005 | 100-9999 | 0.1到99.99度 |
| 湿度回差 | 4x0006 | 65435-65535,0-1000 | -10度到+10度 |
| 湿度校正 | 4x0007 | 65435-65535,0-1000 | -10度到+10度 |
| 控制模式 | 4x0008 | 1,2 | 1为正向模式,2反向模式 |
| 波特率 | 4x0009 | 2400,4800,9600 | 3种波特率 |
(2)设置数据值
(3)查询设备地址
标准配置
| 序号 | 名称 | 型号 | 数量 | 备注 |
| 1 | 湿度控制器 | KC72B20 | 1个 | |
| 2 | 说明书 | 1份 |
下载地址: http://www.klink.cn/support/download/4/KC72B20.html (请复制到浏览器地址栏后打开)



服务咨询